特點
海灣GST-LD-8331模塊箱內部裝有 GST-LD-8325 模塊和 GST-AS-300 安全柵(以下簡稱安全柵),可 與 J-SAF-GST9213A(Ex)消火栓按鈕配接,組成本質安全型防爆系統。一旦發生火災,現場人員 按下消火栓報警按鈕,模塊將報警信號通過總線傳入控制器,控制器會顯示出該編碼地址的報警信 號。模塊箱具有檢線功能,當模塊出現故障時,控制器會顯示出該編碼地址的故障信號。模塊采用 電子編碼方式,可通過我公司生產的 GST-BMQ-2 型電子編碼器進行現場編碼。模塊箱應安裝在安全區域。
主要技術指標
(1) 工作電壓:信號總線電壓:24V; 允許范圍:16V~28V 電源總線電壓:DC24V; 允許范圍:DC20V~DC28V
(2) 工作電流: 總線:監視電流≤1mA,報警電流≤1.5mADC24V:監視電流≤10mA,報警電流(不包括有源輸出端口的輸出電流)≤60mA
(3) 有源輸出:DC24V/100mA
(4) 連接設備容量:最多可配接 10 只 J-SAF-GST9213A(Ex)消火栓按鈕
(5) 模塊箱并聯使用數量:最多 3 個 GST-LD-8331 模塊箱并聯使用控制一個設備。
(6) 安全柵參數:GST-AS-300 型安全柵,U0=28V,I0=93mA,L0≤4.0mH,C0≤0.083?F
(7) 使用環境: 溫度:-10℃~+55℃ 相對濕度≤95%,不凝露
(8) 防護等級:IP66
(9) 外形尺寸:196mm×215mm×86mm
結構特征、安裝與布線
(1) 模塊箱外形示意圖如圖 1-54:

(2) 安裝方法 模塊箱安裝可用兩只 M6×60 膨脹螺栓將其固定在墻壁上,安裝尺寸如圖 1-55 所示

模塊箱接線端子如圖 1-56 所示。

其中本安側端子為安全柵端子,非本安側端子為模塊端子: Z1、Z2:接控制器總線,無極性 D1、D2:接直流 24V,無極性 I、G:輸入 2 端子,無源輸入,連接消防泵反饋端 O、G:輸出端,有源輸出,24V/100mA 3、4:安全柵 3、4 兩端,接消火栓報警按鈕,3 為正,4 為負模塊箱應安裝在安全區域,本安 側和非本安側接線應分開,并保持一定距離(至少為 50mm)。 模塊箱內含 GST-AS-300 型齊納安全柵,主要技術參數參見 章 5.2 節。
布線要求:信號總線 Z1、Z2 采用耐火 RVS 型雙絞線,截面積≥1.0mm2 ;電源線 D1、D2 采用耐 火 BV 線,截面積≥1.5mm2 。安全柵至報警按鈕間的電纜應選用截面積≥1.0mm2 的本安電纜,且電纜 間分布電容不得大于 0.083μF,分布電感不得大于 4.0mH。 本安電纜的長度計算參見 GST-LD-8332 中布線要求的相關內容。
應用方法
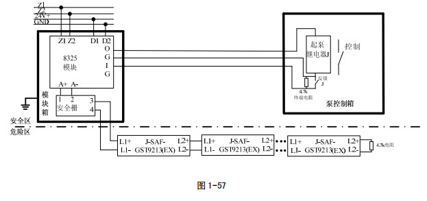
每個模塊箱可配接 10 只消火栓按鈕,消火栓按鈕需串聯連接。在消火栓按鈕末端和消防泵反 饋端需接 4.7k?終端電阻。模塊箱應安裝在安全區域,本安側和非本安側接線應分開并保持一定距 離(至少為 50mm)。外殼(出廠時已經與安全柵接地端子連接)必須就近可靠接地,連接螺釘必須擰 緊,不可松動,接地電阻不能大于 4?。 模塊箱應用示意圖如圖 1-57、圖 1-58 所示,其中圖 1-57 為單個模塊箱控制一臺消防泵的情 況,圖 1-58 為多個模塊箱同時控制一臺消防泵的情況(模塊箱數量不大于 3 臺)。輸出端和輸入 2 端的 2 個 G 端子內部相連,實際布線只需接其中一個即可。


模塊箱不能和 J-SAM-GST9124A 消火栓按鈕并聯使用, J-SAM-GST9124A 消火栓按鈕需要單獨加 啟泵繼電器控制。
模塊反饋端不能和其他設備并聯,如果需要接入其他設備檢測反饋信息,反饋端需單獨接線。


蘇公網安備32058102002318號
客服1